[소방기술사] 스프링클러, 물분무, 미분무 소화설비 차이

안녕하세요. 아이꾸준입니다.
이번 포스팅에서는 소방기술사에서 매우매우 중요한 스프링클러, 물분무, 미분무 소화설비 차이를 알아보고자 합니다. 어찌보면 비슷하지만, 각 설비마다 목적은 전혀 다릅니다.
스프링클러, 물분무, 미분무 소화설비의 각각 특징을 간단히 알아보고, 마지막에 표로 비교해보도록 하겠습니다.
[소방기술사] 물분무소화설비, 스프링클러설비 차이점 - 설치장소, 수원의 양
[소방기술사] 물분무소화설비, 스프링클러설비 차이점 - 설치장소, 수원의 양 안녕하세요. 아이꾸준입니다. 화재안전기준을 공부하다보니 물분무소화설비와 스프링클러의 차이가 무엇인가 궁
ikkujun.com
지난번에 스프링클러와 물분무소화설비를 비교했었는데요. 이번에는 미분무 소화설비도 함께 비교하였습니다.
스프링클러 소화설비

sprinkler: 물을 흩뿌리는 기구
아주 오래된 아파트가 아니라면 집에서도 쉽게 볼 수 있는 소화설비입니다. 집 안에서 화재가 발생했을 때, 화재가 더 커지는 것을 막고, 불을 끌 수 있는 목적으로 설치하는 소화설비입니다.
사실 스프링클러만 제대로 작동해도 웬만한 화재는 막을 수 있습니다. 물론 설치 장소, 환경 등에 따라 스프링클러를 설치할 수 없는 곳도 있습니다.
스프링클러에는 크게 4종류가 있습니다. 습식, 건식, 준비작동식, 일제살수식이 있습니다. 현재 가장 많이 쓰이는 스프링클러는 준비작동식입니다. 스프링클러 종류도 자세하게 따로 포스팅으로 다뤄보겠습니다.
참고로 스프링클러는 springcooler가 아니라 sprinkler입니다.
물분무 소화설비

물분무 소화설비는 스프링클러와 유사하지만, 위 사진과 같이 유류 탱크 등을 화재로부터 지키거나 탱크에서 발생한 화재가 더 커지는 것을 막기 위한 설비입니다. (연소확대 방지)
위험물 저장탱크가 설치된 곳에 많이 쓰입니다.
스프링클러보다 좀 더 강한 압력으로 물을 분사하기 때문에, 물방울의 크기가 스프링클러보다 작습니다. 그래서 물방울이 화재면으로 침투하는 것이 아닌 냉각 및 질식효과를 통해 화재가 커지는 것을 막는 데 주력하는 소화설비입니다.
유류 탱크에서 화재가 발생하면 물분무 소화설비로는 절대 소화할 수 없습니다. 유류 탱크는 워낙 크기도 크고 발열량도 엄청나서 물방울이 화재면으로 다가가기 전에 바로 증발해버립니다. 그렇다고 주수로 방수를 하면 슬롭오버가 발생해서 오히려 화재가 더 커지게 됩니다.
물분무 소화설비는 말 그대로 화재가 더 커지는 것만 막는 것이고, 유류 탱크화재는 포 소화설비를 통해 화재를 진압해야 합니다.
미분무 소화설비

미분무는 단어 그대로 작은 물방울을 방사하는 소화설비입니다.

미분무 소화설비는 물분무 소화설비보다 더 큰 압력으로 물을 방사합니다. 물을 매우 작은 미세 구멍으로 통과시키기 때문에 물방울의 크기가 가장 작습니다.
미분무의 특징은 스프링클러, 물분무, 미분무 중 적응화재의 범위가 가장 넓다는 겁니다. 일반적인 수계소화설비, 즉 물을 사용하는 소화설비는 전기화재에 사용할 수 없습니다. 감전사고로 이어질 수 있고, 소화용수는 도체이기 때문에 화재를 더욱 키울 수 있습니다.
하지만, 미분무 소화설비는 워낙 방사되는 물방울이 작기때문에 전기가 통하지 못하게 됩니다. 위 사진을 보면 변압기에 미분무 소화설비 테스트를 하는 것을 볼 수 있습니다. 변압기는 전기가 흐르는 물체라서 수계소화설비를 사용하면 안되지만, 미분무 소화설비는 워낙 물방울이 작기 때문에 전기가 통하지 않아 전기설비에도 사용할 수 있습니다.
미분무 소화설비는 가스계 소화설비에 가까울 정도로 물방울이 미세합니다. 거의 안개같은 느낌입니다. 그래서 화재를 가두는 효과가 있습니다. 화재를 질식시킬 수 있고, 화재가 성장하는 것을 막을 수 있습니다. 또한 열 차단 효과도 있습니다.
[소방기술사] 화재 플룸(fire plume) - 불기둥
화재 플룸(fire plume) - 불기둥 안녕하세요. 아이꾸준입니다. 이번 포스팅에서는 소방기술사 시험에 자주 출제되는 화재 플름(fire plume)에 대해 간단히 알아보겠습니다. 화재 플름(fire pume) - 불기둥
ikkujun.com
스프링클러, 물분무, 미분무 차이
<차이점>
| 스프링클러 | 물분무 | 미분무 | |
| 물입자 크기 | 1~2mm | 0.2 ~ 0.8mm | 0.4mm 이하 |
| 대상장소 | 넓은 지역의 방호 | 장비의 표면 보호 | 소규모 구획실의 방호 |
| 소화효과 | 냉각소화 | 냉각소화 유화(에멀젼)효과 |
질식소화 복사열차단 |
| 적응화재 | A급 | A, B, C급 | A, B, C, K급 |
| 방사압력 | 0.1Mpa | 0.14 ~ 0.35Mpa | 1.2Mpa 이하 부터 3.5Mpa 이상 |
| 냉각소화 순위 | 1 | 2 | 3 |
| 질식소화 순위 | 3 | 2 | 1 |
| 특징 | 시공이 쉬운 편 비용이 적은 편 넓은 지역 방호 수손피해 있을 수 있음 |
유화작용 | A급 심부화재 불가 규정된 표준이 없어, 실제 시험 필요(case by case) 고가, 고압펌프 필요 초기 화재진압 실패시 화재 확대 기류, 바람 영향이 큼 |
[소방기술사] 화재 종류 6가지 - 일반, 유류, 전기, 금속, 가스, 주방
[소방기술사] 화재 종류 6가지 - 일반, 유류, 전기, 금속, 가스, 주방 안녕하세요. 아이꾸준입니다. 이번 포스팅에서는 화재 종류 6가지를 알아보겠습니다. 불, 연소의 3요소 - 산소, 가연물, 열원
ikkujun.com
<공통점>

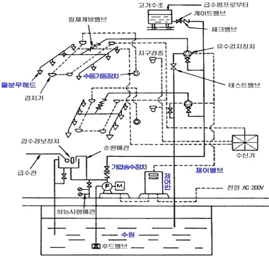
설비 계통도는 스프링클러, 물분무, 미분무가 거의 비슷합니다. 압력과 분무되는 물방울의 크기가 다릅니다. 이 차이가 어떤 화재에 적응성이 있는지, 어떤 목적으로 소화를 해야하는지 결정짓게 됩니다.
물을 소화약제로 사용하기 때문에 인체에 무해합니다. 오히려 화재 상황에서 스프링클러, 물분무, 미분무 소화설비에 의해 옷이 젓게 되면 화재로 인한 화상을 덜 입을 수 있습니다. 그리고 물이 있다는 안도감에 생존확률도 더욱 높아지게 됩니다.
지금까지 스프링클러, 물분무, 미분무 소화설비에 대해 간단히 알아보았습니다.
감사합니다.
'자격증 > 소방기술사' 카테고리의 다른 글
| [소방기술사] 절대압, 계기압, 진공압 간단 정리 - 압력계, 연성계, 진공계 (0) | 2023.02.17 |
|---|---|
| 소방기술사 볼펜 추천 - 유니 제트스트림 볼펜 3종류 (1) | 2023.02.15 |
| 부촉매소화 정의, 원리, 메커니즘 (연쇄반응 반응식) (0) | 2023.02.12 |
| [소방기술사] 청정소화약제 조건, 종류 (0) | 2023.02.11 |
| 기술사 경력 인증받기 - 응시자격서류 온라인 제출 (0) | 2023.02.10 |
댓글